



HL3-2A系列低噪声节能混流通风机和HTF (PYHL-14A)系列高温排烟低噪声节能混流通风机,是介于轴流式和离心式通风机之间的一种新型风机,它具有离心式风机的高压力,轴流风机的大流量,效率高、节能好、噪声低、安装方便等特点。本系列通风机设计新型、结构紧凑、体积小、重量轻、易安装、与老型号的离心式风机相比可节电20%,转速小于2000r/min时,噪声低于75dB (A),风机连接管道和安装在空调箱时,噪声小于70dB (A)。可代替200pa以下的中、低压离心风机,广泛应用于工业、民用建筑通风除尘等。PYHL-14A系列风机是HTF系列的派生产品,风机进风端装有集流消音器,产品能在300℃左右环境温度中正常运转1小时,既能作通风换气,又能起高温排烟等双重作用,适用于地下隧道、地下商场、地下车库等消防配套设施。
一、风机的结构特性
风机主要有叶轮、机壳、进口集流器、导流片、电动机等部件组成。叶轮采用有子午加速特点的扭曲平板片焊接在轮毂上。经动平衡校验,超速试验,具有良好的空气动力性能。机壳采用圆筒形,与消音功能的集流器联接成整体。出口装有导流片,具有良好的气流分布,压力稳定。PYHL-14A型风机设计二次进风,有利于降低电机的环境温度。
二、风机的用途
HL3-2A系列混流通风机和HTF(PYHL-14A)系列高温排烟混流通风机广泛应用于地下隧道、地下车库、高级民用建筑、冶金、厂矿等场所的通风换气及消防高温排烟, HL3-2A系列风机输送气体温度不得超过80℃, HTF (PYHL-14A)系列风机工作温度为300℃。气体内不允许有粘性物质,所含的尘土及硬颗粒不等于150mg/m³,特殊环境可加工防爆结构形式的风机。
三、风机性能的选择
风机的性能可从表上查阅,表中列出的性能是最高效率范围内的性能,按流量分为五个特点,选用时按性能表为准,出厂的风机合格品性能在额定流量下全压值不超过±5%。性能选用表是标准状态下的性能。无论技术文件或定货要求的性能均按标准状态为准,标准状态大气压为101325pa, t=20,相对温度=50%空气状态,当实际使用条件下与上述不符合时按有关公式进行换算。风机安装方式可分为立式和卧式,如立式安装在订货中注明,如流量,压力安装尺寸等性能参数有特殊要求时,公司将为您另行设计生产。HTF (PYHL-14A)系列通风机的流量数值为300℃高温空气的流量值,比平常选用时HL3-2A系列风机流量值±5%。
风机代号定义:

四、HL3-2A系列混流风机性能参数
机号 No. | 风量 (m3/h) | 全压 (pa) | 功率 (kw) | 转速 (rpm) | 噪声 dB(A) | 重量 (kg) |
2.5A | 2253 | 402 | 0.75 | 2900 | 73 | 40 |
2039 | 452 | |||||
1696 | 532 | |||||
1496 | 542 | |||||
1340 | 554 | |||||
1126 | 100 | 0.55 | 1450 | 61 | 38 | |
1019 | 113 | |||||
848 | 133 | |||||
748 | 135 | |||||
670 | 139 | |||||
746 | 44 | 0.37 | 960 | 52 | 38 | |
675 | 50 | |||||
561 | 58 | |||||
495 | 59 | |||||
444 | 61 | |||||
3A | 3893 | 578 | 1.1 | 2900 | 74 | 50 |
3523 | 651 | |||||
2930 | 767 | |||||
2585 | 780 | |||||
2316 | 798 | |||||
1946 | 145 | 0.55 | 1450 | 61 | 43 | |
1762 | 163 | |||||
1465 | 192 | |||||
1293 | 195 | |||||
1158 | 200 | |||||
1289 | 63 | 0.37 | 960 | 52 | 43 | |
1166 | 71 | |||||
970 | 84 | |||||
856 | 85 | |||||
767 | 87 | |||||
3.5A | 6181 | 787 | 2.2 | 2900 | 75 | 61 |
5595 | 887 | |||||
4653 | 1044 | |||||
4104 | 1062 | |||||
3678 | 1086 | |||||
3091 | 197 | 0.55 | 1450 | 62 | 50 | |
2797 | 222 | |||||
2327 | 261 | |||||
2052 | 265 | |||||
1839 | 272 | |||||
2046 | 86 | 0.55 | 960 | 54 | 50 | |
1852 | 97 | |||||
1540 | 114 | |||||
1359 | 116 | |||||
1217 | 119 |
机号 No. | 风量 (m3/h) | 全压 (pa) | 功率 (kw) | 转速 (rpm) | 噪声 dB(A) | 重量 (kg) |
5.5A | 11993 | 486 | 3 | 1450 | 69 | 119 |
10855 | 548 | |||||
9028 | 644 | |||||
7964 | 655 | |||||
7136 | 670 | |||||
7941 | 213 | 1.1 | 960 | 61 | 110 | |
7187 | 240 | |||||
5977 | 282 | |||||
5273 | 287 | |||||
4724 | 294 | |||||
5955 | 120 | 0.75 | 720 | 57 | 115 | |
5390 | 135 | |||||
4483 | 159 | |||||
3954 | 162 | |||||
3543 | 165 | |||||
6A | 15571 | 578 | 5.5 | 1450 | 70 | 155 |
14093 | 652 | |||||
11721 | 767 | |||||
10340 | 780 | |||||
9264 | 798 | |||||
10309 | 253 | 1.5 | 960 | 66 | 125 | |
9330 | 286 | |||||
7760 | 336 | |||||
6846 | 342 | |||||
6133 | 350 | |||||
7732 | 142 | 0.75 | 720 | 58 | 125 | |
6998 | 161 | |||||
5820 | 189 | |||||
5134 | 192 | |||||
4600 | 197 | |||||
6.5A | 19797 | 679 | 7.5 | 1450 | 74 | 210 |
17918 | 765 | |||||
14902 | 890 | |||||
13146 | 916 | |||||
11778 | 937 | |||||
13107 | 298 | 2.2 | 960 | 68 | 172 | |
11863 | 335 | |||||
9866 | 394 | |||||
8704 | 401 | |||||
7798 | 411 | |||||
9830 | 167 | 1.1 | 720 | 62 | 148 | |
8897 | 189 | |||||
7399 | 222 | |||||
6528 | 226 | |||||
5849 | 231 |
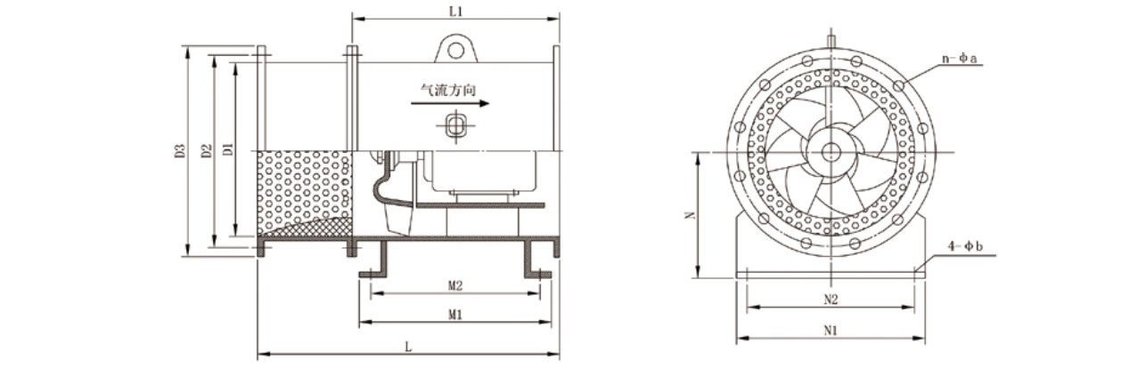
五、HL3-2A系列混流风机外形及安装尺寸(mm)

机号 | D1 | D2 | D3 | 2P | 4P (10P) | 6P | 8P | N1 | N2 | n-φa | φb | H | ||||||||||||
L | L1 | M1 | M2 | L | L1 | M1 | M2 | L | L1 | M1 | M2 | L | L1 | M1 | M2 | |||||||||
2.5 | φ280 | φ310 | φ340 | 520 | 350 | 320 | 280 | 520 | 350 | 320 | 280 | 520 | 350 | 320 | 280 | 250 | 150 | 6-φ8.5 | φ11 | 205 | ||||
3 | φ340 | φ370 | φ400 | 570 | 370 | 340 | 300 | 570 | 370 | 340 | 300 | 570 | 370 | 340 | 300 | 300 | 200 | 6-φ8.5 | φ11 | 240 | ||||
3.5 | φ410 | φ440 | φ470 | 610 | 410 | 360 | 320 | 570 | 370 | 340 | 300 | 570 | 370 | 340 | 300 | 300 | 200 | 6-φ8.5 | φ11 | 275 | ||||
4 | φ460 | φ490 | φ520 | 820 | 570 | 520 | 480 | 620 | 370 | 340 | 300 | 620 | 370 | 340 | 300 | 400 | 300 | 8-φ8.5 | φ11 | 300 | ||||
4.5 | φ510 | φ545 | φ580 | 810 | 560 | 510 | 470 | 630 | 380 | 350 | 310 | 610 | 360 | 330 | 290 | 400 | 300 | 8-φ8.5 | φ11 | 330 | ||||
5 | φ560 | φ595 | φ630 | 980 | 710 | 660 | 620 | 730 | 460 | 410 | 370 | 650 | 380 | 350 | 310 | 500 | 400 | 12-φ10.5 | φ13 | 355 | ||||
5.5 | φ610 | φ645 | φ680 | 750 | 460 | 410 | 370 | 690 | 400 | 350 | 310 | 750 | 460 | 410 | 370 | 500 | 400 | 12-φ10.5 | φ13 | 380 | ||||
6 | φ680 | φ715 | φ750 | 870 | 560 | 510 | 470 | 770 | 460 | 410 | 370 | 770 | 460 | 410 | 370 | 550 | 450 | 12-φ10.5 | φ13 | 425 | ||||
6.5 | φ730 | φ770 | φ810 | 870 | 570 | 530 | 480 | 780 | 480 | 440 | 390 | 750 | 450 | 410 | 360 | 600 | 500 | 12-φ10.5 | φ13 | 450 | ||||
7 | φ790 | φ830 | φ870 | 1010 | 700 | 660 | 610 | 890 | 580 | 540 | 490 | 810 | 500 | 460 | 410 | 650 | 550 | 16-φ10.5 | φ13 | 480 | ||||
7.5 | φ840 | φ880 | φ920 | 1080 | 750 | 710 | 660 | 930 | 600 | 560 | 510 | 910 | 580 | 540 | 490 | 700 | 600 | 16-φ12.5 | φ15 | 505 | ||||
8 | φ900 | φ940 | φ980 | 1120 | 770 | 730 | 680 | 950 | 600 | 560 | 510 | 930 | 580 | 540 | 490 | 740 | 640 | 16-φ12.5 | φ15 | 540 | ||||
8.5 | φ960 | φ1000 | φ1040 | 1180 | 830 | 790 | 740 | 1050 | 700 | 660 | 610 | 950 | 600 | 560 | 510 | 790 | 690 | 16-φ12.5 | φ15 | 570 | ||||
9 | φ1010 | φ1055 | φ1100 | 1250 | 880 | 810 | 760 | 1120 | 750 | 680 | 630 | 1070 | 700 | 630 | 580 | 830 | 730 | 16-φ12.5 | φ15 | 595 | ||||
9.5 | φ1070 | φ1115 | φ1160 | 1310 | 920 | 850 | 800 | 1140 | 750 | 680 | 630 | 1080 | 690 | 620 | 570 | 880 | 780 | 16-φ12.5 | φ15 | 625 | ||||
10 | φ1120 | φ1165 | φ1210 | 1450 | 1020 | 950 | 900 | 1250 | 820 | 750 | 700 | 1180 | 750 | 680 | 630 | 930 | 830 | 16-φ12.5 | φ15 | 650 | ||||
10.5 | φ1180 | φ1225 | φ1270 | 1520 | 1080 | 1010 | 960 | 1310 | 870 | 800 | 750 | 1460 | 820 | 750 | 700 | 970 | 870 | 20-φ12.5 | φ15 | 680 | ||||
11 | φ1240 | φ1290 | φ1340 | 1590 | 1140 | 1070 | 1020 | 1320 | 870 | 800 | 750 | 1270 | 820 | 750 | 700 | 1020 | 920 | 20-φ12.5 | φ15 | 715 | ||||
11.5 | φ1300 | φ1350 | φ1400 | 1810 | 1350 | 1280 | 1230 | 1410 | 950 | 880 | 830 | 1330 | 870 | 880 | 750 | 1060 | 960 | 20-φ12.5 | φ15 | 745 | ||||
12 | φ1350 | φ1400 | φ1450 | 1960 | 1450 | 1380 | 1330 | 1520 | 1010 | 940 | 890 | 1380 | 870 | 880 | 750 | 1110 | 1010 | 20-φ12.5 | φ15 | 780 | ||||
12.5 | φ1410 | φ1460 | φ1510 | 2040 | 1500 | 1440 | 1380 | 1570 | 1030 | 970 | 910 | 1450 | 910 | 850 | 790 | 1160 | 1060 | 20-φ12.5 | φ15 | 810 | ||||
13 | φ1460 | φ1510 | φ1560 | 1430 | 870 | 810 | 750 | 1670 | 1110 | 1050 | 990 | 1510 | 950 | 890 | 830 | 1200 | 1100 | 24-φ12.5 | φ15 | 835 | ||||
13.5 | φ1520 | φ1570 | φ1620 | 1470 | 910 | 850 | 790 | 1910 | 1350 | 1290 | 1230 | 1530 | 970 | 910 | 850 | 1240 | 1140 | 24-φ12.5 | φ15 | 870 | ||||
14 | φ1570 | φ1620 | φ1670 | 1510 | 950 | 890 | 830 | 2010 | 1450 | 1390 | 1330 | 1590 | 1030 | 970 | 910 | 1280 | 1180 | 24-φ12.5 | φ15 | 895 | ||||
备注: 1、带有下划线的为10P (560rpm)尺寸。
2、此型号如用户无要求按常规制作,无消声段。
3、为了同用户的安装尺寸保持一致,法兰打孔尺寸(n-φa)仅供参考,若用户没有说明情况,本公司一般不打孔。
Shandong Juqiang Ventilation Equipment Co., Ltd.
鲁ICP备2021022461号-2 本站部分图片来源于互联网或AI生成,如有侵权,请联系删除,感谢!